Gaśnice(8)
Części do kosiarek rotacyjnych(13)Producent: SM-G
Dostępność: Dostępny
Czas wysyłki towaru: 24 godziny (przy przedpłacie od zaksięgowania przelewu!)
Koszt wysyłki: od 14,80 zł
Stan magazynowy:
Stan produktu: Nowy
Gwarancja: 12 Miesięcy
Orbitrol 125 ON (OPEN NORMALLY — normalnie otwarty) — w momencie gdy kierownica nie zmienia położenia, olej swobodnie porusza się w układzie orbitrola i przepływa przez powrót, spływając do zbiornika. Dzięki temu pompa podczas swojej pracy zostaje odciążona.
- Precyzyjnie wykonana konstrukcja, która zapewnia brak jakichkolwiek przecieków oraz lekką i płynną pracę — sprawdza się nawet przy bardzo obciążonej osi
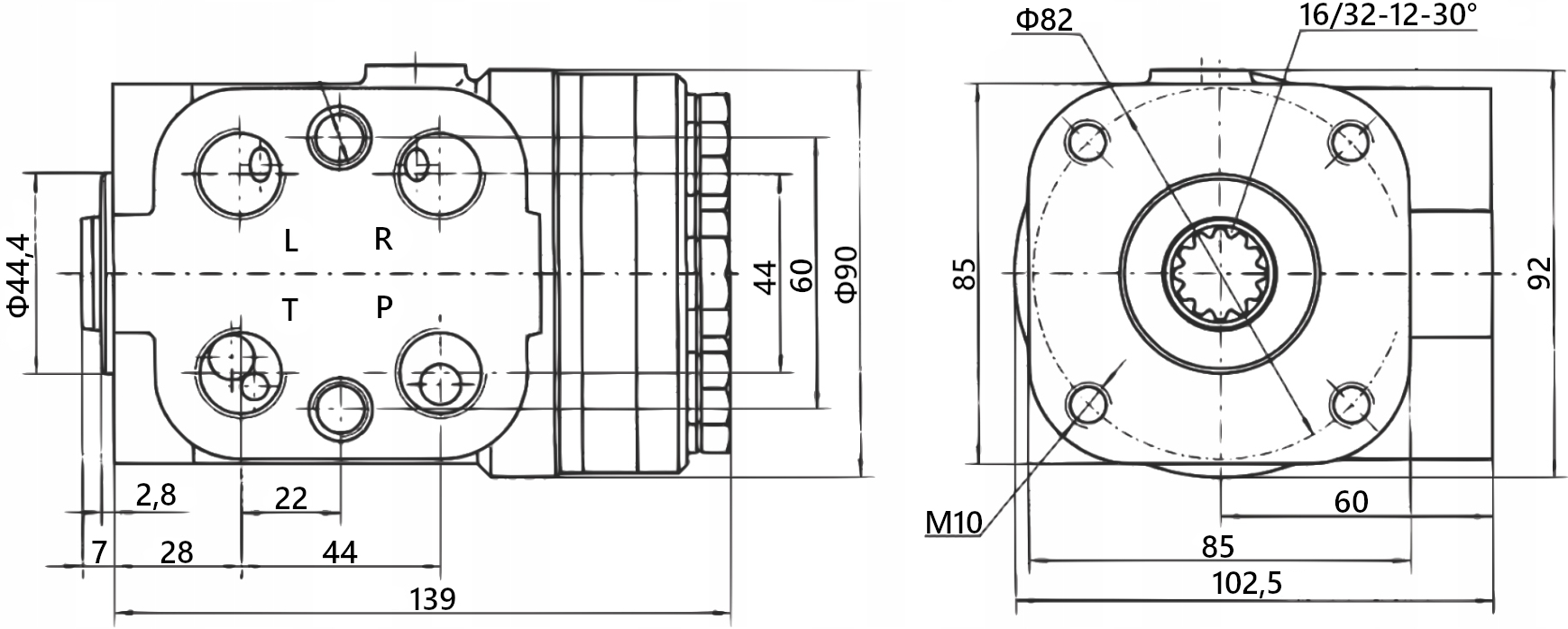
- Każdy orbitrol posiada opisane przyłącza: P, T, R, L, co zapewnia prawidłowe podłączenie do układu
- Umożliwia sterowanie pojazdem podczas holowania nawet w przypadku awarii ciągnika (np. pompy)
Orbitrol ma za zadanie sterowanie hydraulicznym układem kierowniczym w ciągnikach rolniczych, koparkach, kombajnach, widlakach i maszynach budowlanych.
URSUS: C-330, C-360, C-360-3P, 3512, 3502
ZETOR: 5211, 7211, 7045, 7245
CASE IH AVJ: 55, 60, 70, JX 55, 60, 65, 70, 75, 80, 85, 90, 95, VJ 60, 70, 80
NEW HOLLAND TD: 5040, 5050, 55D, 60D, 65D, 70D, 75D, 80D, 85D, 90D, 95D
MASSEY FERGUSON: 230, 240, 253, 255, 261, 263, 340, 342, 350, 352, 355, 360, 362, 365, 372, 375, 382, 390, 396, 398, 399, 265, 275, 3275E, 285, 290, 290E, 298, 375E, 390E, 675, 690, 698, 698T, 699
CLAAS CELTIS: 426RA, 426RC, 426RX, 436RC, 436RX, 446RA, 446RC, 446RX, 456RA, 456RC, 456RX
MTZ: 80, 82, T-25
FIAT: 55-46, 60-46, 65-46, 55-56, 60-56, 65-56, 70-56, 55-66, 60-66, 65-66, 70-66, 80-66, 55-88, 60-88, 65-88, 70-88, 80-88, 55-90, 60-90, 65-90, 70-90, 80-90, 90-90, 100-90, 110-90, 60-93, 65-93, 60-94, 65-94, F100, 110, 130
RENAULT: 58-32ME, 58-32MA, 58-32MS, 58-32MX, 75-32TX, 75-34TX, 85-32TX, 85-34TX, 90-32TX, 90-34TX, 650MI, 750MI, 754MI, 850MI, 854MI, 900MI, 904MI, 950MI, 954MI, 1032-54TS, 103-54TX, 103-54TE, 103-54TA, 106-54TS, 106-54TX, 106-54TE, 106-54TA
RENAULT CERGOS: 330, 340, 350, 345, 355
RENAULT CERES: 65, 70, 70X, 75, 75X, 85, 85X, 95, 95X, 310, 320, 320X, 330, 330X, 340, 340X, 325X, 335X, 345X, 355X

Objętość geometryczna: 125cm3/obr
Zalecany przepływ oleju w układzie: od 10 do 14L/min.
Gwinty wewnętrzne (P, T, R, L): G1/2" BSP
Gwinty wewnętrzne (obok przyłączeniowych): M10
Mocowanie kolumny kierownicy: 4x śruba M10 - 16mm
Długość Orbitrola [L] : 137mm
Ilość wcięć na wałek: 12z
Średnica zewnętrzna wałka: 15/20 mm
Ustawienie zaworów:
Materiał: żeliwo
Oznaczenia przyłączeń:
P - zasilanie z pompy
T - powrót do zbiornika
R - skręt w prawo
L - skręt w lewo

Posiada szerokie zastosowanie w układach hydraulicznych w rolnictwie, sadownictwie, leśnictwie, budownictwie i szeroko pojętym przemyśle.
Wałek pasuje do wszystkich typów orbitroli (ON, CN, LS).
Ilość frezów na końcówce wałka: 12
Szerokość końcówki frezowanej: 20 mm
Długość całkowita wałka: 40 mm
Szerokość końcówki gładkiej: 17 mm
Długość końcówki gładkiej: 14 mm
Informacja GPSR: produkt wprowadzony do obrotu na terenie UE przed 13.12.2024 roku
Nikt jeszcze nie napisał recenzji do tego produktu. Bądź pierwszy i napisz recenzję.
Tylko zarejestrowani klienci mogą pisać recenzje do produktów. Jeżeli posiadasz konto w naszym sklepie zaloguj się na nie, jeżeli nie załóż bezpłatne konto i napisz recenzję.
ATRAKCYJNY KOSZT WYSYŁKICeny ustalane na podstawie zamówienia.
RABATYRabaty dla każdego klienta!
Ekspresowa wysyłkaZamówione produkty wysyłamy w ciągu 24h
ZWROT 14 dniMasz 14 dni na zwrot zakupionych produktów