Gaśnice(8)
Części do kosiarek rotacyjnych(13)Producent: SM-G
Dostępność: Dostępny
Czas wysyłki towaru: 24 godziny (przy przedpłacie od zaksięgowania przelewu!)
Koszt wysyłki: od 14,80 zł
Kod producenta: ML 63 2-4 B14
Stan magazynowy:
Stan produktu: Nowy
Gwarancja: 12 Miesięcy
pracy i rozruchu
Bardzo dobrej jakości jednofazowy silnik indukcyjny — parametry znacznie przewyższają najtańsze chińskie produkty na rynku.
Kondensator pracy poprawia współczynnik mocy oraz zapewnia stabilną i wydajną pracę silnika.
Kondensator rozruchu dostarcza dodatkowego momentu obrotowego podczas startu, co pomaga w szybkim i łatwym uruchomieniu silnika.
Doskonałe rozpraszanie ciepła zapewnia ciągłą pracę pod obciążeniem.
Gwarantuje długoletnią i bezawaryjną pracę!
Silnik ogólnego przeznaczenia — posiada szerokie zastosowanie w układach hydraulicznych oraz mechanicznych.
Zaprojektowany do napędu pomp hydraulicznych, ale także innych mechanicznych elementów układów, w których jest zapotrzebowanie na moc i ruch obrotowy.
Stosowany w rolnictwie, sadownictwie, leśnictwie, budownictwie oraz szeroko pojętym przemyśle.

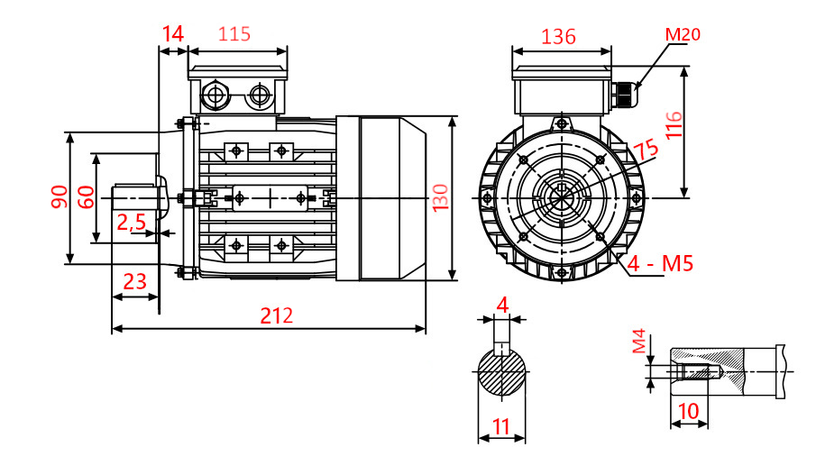
- Częstotliwość: 50 Hz
- Moc wyjściowa: 0,18kW V Δ
- Napięcie (±5%):
- Prędkość obrotu: 1340 obr/min
- Prąd znamionowy: 1,36 A
- Sprawność: 56%
- Współczynnik mocy: 0,96 Cos φ
- Prąd rozruchu: 8,5 A
- Parametry kondensatora pracy: 30 µF / 250 V
- Parametry kondensatora rozruchu: 10 µF / 450 V
- Średnica wałka napędowego: 11 mm
- Dławnice kablowe: M16x1,5
- Poziom hałasu: 64 dB
-Dopuszczalna temperatura otoczenia: od -20°C do +40°C
-Rodzaj pracy: S1 (Praca ciągła)
Dodatkowe informacje:

Kolor silnika może być różny w zależności od aktualnej dostawy.
Nikt jeszcze nie napisał recenzji do tego produktu. Bądź pierwszy i napisz recenzję.
Tylko zarejestrowani klienci mogą pisać recenzje do produktów. Jeżeli posiadasz konto w naszym sklepie zaloguj się na nie, jeżeli nie załóż bezpłatne konto i napisz recenzję.
Klient: Ar...ek, data zakupu 13-10-2025 12:48
ATRAKCYJNY KOSZT WYSYŁKICeny ustalane na podstawie zamówienia.
RABATYRabaty dla każdego klienta!
Ekspresowa wysyłkaZamówione produkty wysyłamy w ciągu 24h
ZWROT 14 dniMasz 14 dni na zwrot zakupionych produktów