Gaśnice(8)
Części do kosiarek rotacyjnych(13)Producent: SM-G
Dostępność: Dostępny
Czas wysyłki towaru: 24 godziny (przy przedpłacie od zaksięgowania przelewu!)
Koszt wysyłki: od 0,00 zł
Stan magazynowy:
Stan produktu: Nowy
Gwarancja: 24 Miesiące

Jest to maszyna napędową, która składa się z napędu elektrycznego i przekładni mechanicznej. W segmencie motoreduktora znajdują się też zabezpieczenia, które chronią przed skutkami wycieków oleju lub wybuchem, a zastosowane smary sprawiają, że jest to mechanizm bezobsługowy.
Do czego służy motoreduktor? Do właściwości typowych silników elektrycznych należy duża prędkość obrotowa i niewielki mome
nt obrotowy. Aby mogły one efektywnie zasilać maszyny i urządzenia musiałyby spełniać ich wymagania, które są całkowicie odwrotne – w takich zastosowaniach silnik musiałby generować małe prędkości i duże momenty obrotowe.
Rozwiązania wyposażone w motoreduktory aktualnie stosowane są praktycznie w każdej gałęzi gospodarki. Miniaturowe motoreduktory znajdziemy m.in. w różnego rodzaju automatach sprzedających, natomiast motoreduktory o dużej mocy chętnie wykorzystywane są w przemyśle ciężkim. Korzysta z nich przemysł, transport, a nawet branża rozrywkowa. W przemyśle najczęściej stosuje się je jako element napędu przenośników, mieszadeł, wirników, a także maszyn umożliwiających przemieszczanie się produktów po linii produkcyjnej fabryk.
Na naszych pozostałych aukcjach znajdą Państwo inne gotowe zestawy motoreduktorów oraz szeroki asortyment zarówno silników elektrycznych, jak i przekładni ślimakowych do samodzielnego przypasowania według potrzeb w atrakcyjnych cenach!

Bardzo dobrej jakości trójfazowy silnik indukcyjny — parametry znacznie przewyższają najtańsze chińskie produkty na rynku.
Doskonałe rozpraszanie ciepła zapewnia ciągłą pracę pod obciążeniem.
Gwarantuje długoletnią i bezawaryjną pracę!
Silnik ogólnego przeznaczenia — posiada szerokie zastosowanie w układach hydraulicznych oraz mechanicznych.
Zaprojektowany do napędu pomp hydraulicznych, ale także innych mechanicznych elementów układów, w których jest zapotrzebowanie na moc i ruch obrotowy.
Stosowany w rolnictwie, sadownictwie, leśnictwie, budownictwie oraz szeroko pojętym przemyśle.

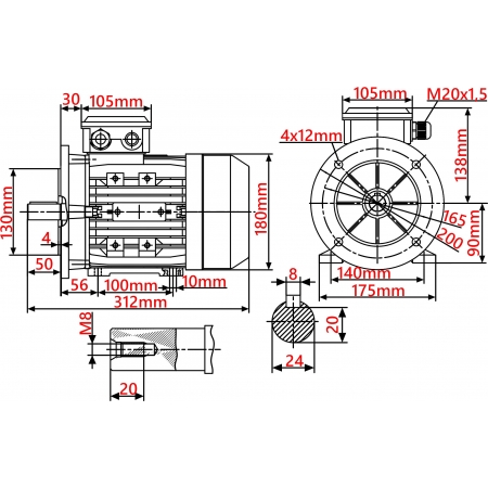
- Częstotliwość: 50 Hz
- Moc wyjściowa: 1,1 kW V Δ
- Napięcie (±5%):
- Prędkość obrotu: 1415 obr/min
- Znamionowy moment obrotowy: 7,5 Nm
- Prąd znamionowy:
- Średnica wałka napędowego: 24 mm
- Dławnice kablowe: M20x1,5
- Rozstaw przeciwległych otworów (4x Φ12) w kołnierzu: 165 mm
- Rozstaw łap mocujących: 140 mm x 100 mm
- Dopuszczalne obciążenie promieniowe: 812 N
- Dopuszczalne obciążenie osiowe: 672 N
- Poziom hałasu: 61 dB
- Dopuszczalna temperatura otoczenia: od -20°C do +40°C

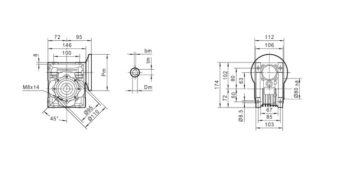
Motoreduktor walcowy to elektromechaniczny układ napędowy, którego zadaniem jest zmiana prędkości obrotowej oraz momentu obrotowego.
Przekładnie z kołem zębatym walcowym o zębach skośnych ERC to nowa generacja mechaniczno-elektrycznych produktów, które zaprojektowane zostały jako system modułowy do systemów karmienia na fermach drobiu.
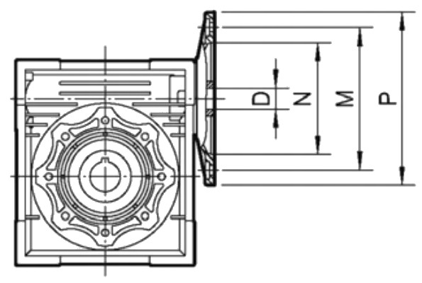
Dedykowany do redukowania napędu silników elektrycznych MS 90 z kołnierzem mocującym (B5/B35) oraz wałkiem napędowym Φ24 mm.
Współpracują ze zwykłymi silnikami, silnikami z hamulcem, silnikami w wykonaniu przeciwwybuchowym, silnikami zasilanymi z falowników, serwomotorami, silnikami IEC, itp.

Informacja GPSR: produkt wprowadzony do obrotu na terenie UE przed 13.12.2024 roku
Nikt jeszcze nie napisał recenzji do tego produktu. Bądź pierwszy i napisz recenzję.
Tylko zarejestrowani klienci mogą pisać recenzje do produktów. Jeżeli posiadasz konto w naszym sklepie zaloguj się na nie, jeżeli nie załóż bezpłatne konto i napisz recenzję.
ATRAKCYJNY KOSZT WYSYŁKICeny ustalane na podstawie zamówienia.
RABATYRabaty dla każdego klienta!
Ekspresowa wysyłkaZamówione produkty wysyłamy w ciągu 24h
ZWROT 14 dniMasz 14 dni na zwrot zakupionych produktów