Gaśnice(8)
Części do kosiarek rotacyjnych(13)Dostępność: Dostępny
Czas wysyłki towaru: 24 godziny (przy przedpłacie od zaksięgowania przelewu!)
Koszt wysyłki: od 14,80 zł
Stan magazynowy:
Stan produktu: Nowy
Gwarancja: 12 Miesięcy
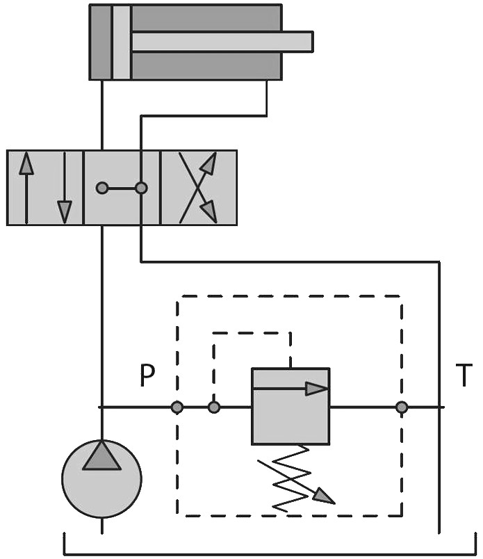
VMP 1/2" Z REGULACJĄ CIŚNIENIA 50 - 220 bar W ZESTAWIE WRAZ Z MANOMETREM Z PRZYŁĄCZEM TYLNYM 0 - 400 BARManometr z zaworem przelewowym doskonale sprawdza się w maszynach i urządzeniach zasilanych hydraulicznie.
Może być wykorzystywany w rolnictwie, sadownictwie, leśnictwie czy budownictwie.
regulacją ciśnienia[0341]
Zawór znajduje zastosowanie w turach, cyklopach, wózkach widłowych, maszynach rolniczych i przemysłowych oraz innych urządzeniach sterownych hydraulicznie.
Specyfikacja techniczna:Maksymalny przepływ: 70L/min.,
Gwinty wewnętrzne w korpusie: port przyłączeniowy 1/2",
Wstępnie ustawione ciśnienie: 90 Bar
Regulacja ciśnienia przelewu: od 50 do 220 Bar
Dopuszczalne ciśnienie: ciśnienie max. 350 Bar,
Dopuszczalna temperatura otoczenia: -40'C do +60'C,
Dopuszczalna temperatura oleju: -15'C do +80'C,
Typ oleju: olej hydrauliczny na bazie oleju mineralnego,
Materiał: korpus - ocynkowana stal galwanizowana
Materiał uszczelniający: BUNA N
Podłączenie:
P – Linia zasilająca na której ma być kontrolowane ciśnienie.
T – Linia powrotna, prowadząca olej na powrót do zbiornika (przelew)

[1836]
Manometry przeznaczone do pomiaru ciśnienia cieczy w układach zamkniętych do pomiaru ciśnienia gazów i płynów nie reagujących ze stopami miedzi.
Manometr wewnątrz wypełniony gliceryną dzięki czemu pomiar jest dokładny mimo wstrząsów i wibracji. Posiada korek służący do wyrównywania ciśnienia wewnątrz manometru z ciśnieniem atmosferycznym.
Manometr glicerynowy różni się od standardowych manometrów wnętrzem wypełniony gliceryną, która zabezpiecza i chroni wskazówkę przed wibracjami i drganiami.
Gliceryna pozwala także zwiększyć poziom dokładności pomiarowej.

Manometr glicerynowy doskonale sprawdza się w maszynach i urządzeniach zasilanych hydraulicznie.
Posiada szerokie zastosowanie w układach hydraulicznych w rolnictwie, sadownictwie, leśnictwie, budownictwie i szeroko pojętym przemyśle.
Obudowa stalowa, wizjer szkło

Informacja GPSR: produkt wprowadzony do obrotu na terenie UE przed 13.12.2024 roku
Nikt jeszcze nie napisał recenzji do tego produktu. Bądź pierwszy i napisz recenzję.
Tylko zarejestrowani klienci mogą pisać recenzje do produktów. Jeżeli posiadasz konto w naszym sklepie zaloguj się na nie, jeżeli nie załóż bezpłatne konto i napisz recenzję.
ATRAKCYJNY KOSZT WYSYŁKICeny ustalane na podstawie zamówienia.
RABATYRabaty dla każdego klienta!
Ekspresowa wysyłkaZamówione produkty wysyłamy w ciągu 24h
ZWROT 14 dniMasz 14 dni na zwrot zakupionych produktów