Gaśnice(8)
Części do kosiarek rotacyjnych(13)Producent: SM-G
Dostępność: Dostępny
Czas wysyłki towaru: 24 godziny (przy przedpłacie od zaksięgowania przelewu!)
Koszt wysyłki: od 130,00 zł
Stan magazynowy:
Stan produktu: Nowy
Gwarancja: 12 Miesięcy
Skok: 700mm
Długość siłownika złożonego mm: 395mm
Całkowita długość siłownika po rozłożeniu mm: 1095mm
Udźwig: 5T
Wywrót (3str, tył): NA 1 STRONĘ (TYŁ)

Zestaw doskonale sprawdza się w zabudowach z wywrotem w samochodach dostawczych, ciężarowych, lawetach i przyczepach.

Dzięki swojej budowie w postaci 5 wysuwów siłownik doskonale sprawdza się w pojazdach/maszynach z wywrotem na TYŁ - z małym prześwitem dolnym pojazdu, przyczepy lub wysoko umieszczonym wałem pędnym.
Istnieje możliwość dokupienia kołyski co daje możliwość wywrotu na 3 strony (tył i boki).
Siłownik montowany w przyczepkach, samochodach ciężarowych oraz dostawczych pojazdach specjalistycznych.
Może być wykorzystywany w rolnictwie, sadownictwie, leśnictwie czy budownictwie.
Siłowniki teleskopowe składają się z kilku kolejno wysuwających się segmentów - chromowanych tulei cylindrycznych. Pozwala to osiągnąć duży wysuw siłownika w porównaniu do jego długości całkowitej po złożeniu.
Teleskopy są siłownikami jednostronnego działania. Wysuw rozpoczyna się doprowadzając do niego olej hydrauliczny pod ciśnieniem. Powrót siłownika wywołany jest działaniem rozdzielacza który zwalnia ciśnienie z układu - opad przebiega grawitacyjnie, najczęściej pod wpływem ciężaru skrzyni ładunkowej.
Aby zapobiegać uszkodzeniom zabezpieczeń tulei, spowodowanych nadmiernym parciem w maksymalnym rozsuwie siłownika, należy zastosować zabezpieczenie (lina, zawór odcinający hydrauliczny lub elektryczny).
Dobrze dobrany siłownik umiejscowiony na środku zabudowy, zapewnia kąt nachylenia skrzyni ładunkowej pomiędzy 40 a 45 stopni.
W zależności od rodzaju przewożonego towaru, kąt ten można dobrać samemu - pomocna może okazać się poniższa tabela:
(TABELA SKOKU WYMAGANEGO DO PRZECHYLENIA PRZYCZEPY DO ŻĄDANEGO KĄTA°)
DP - odległość między mocowaniem cylindra a zawiasami przyczepy w [mm] ( DP = 1/2 S )
a° - kąt nachylenia nadwozia przyczepy
C - skok siłownika w mm
S = DP*2

.png)
Zapotrzebowanie oleju: 5 litrów
Maksymalne ciśnienie robocze: 160bar
Ciśnienie rozruchu: 0,5 MPa
Prędkość rozsuwania/składania tłoków: 0,5m/s
Dopuszczalna temperatura otoczenia: -40°C do +60°C
Dopuszczalna temperatura oleju: -15°C do +80°C
Typ dławicy: gwintowana wkręcana w rurę
Tłoczysko: chromowane
Typ cieczy: olej hydrauliczny na bazie oleju mineralnego
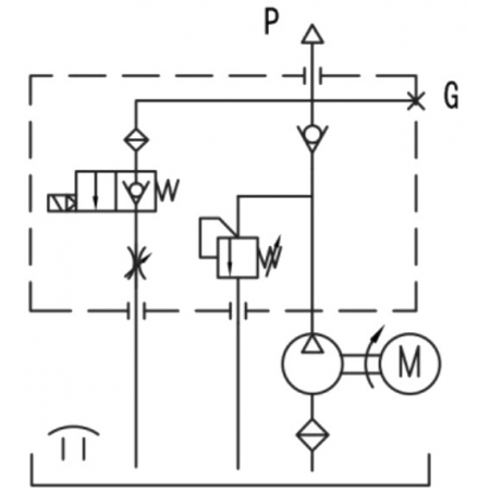
Gniazdo przeznaczone jest do siłowników stosowanych w przyczepach, samochodach, przyczepkach, maszynach rolniczych, posiadających wywrót.
Specyfikacja techniczna:

Umożliwia sterowanie siłownikiem jednostronnego działania.
Pod wpływem ciśnienia siłownik wysuwa się, natomiast wsuwa przy pomocy sił grawitacyjnych oraz ciężaru podnoszonego.
Agregat jest kompletny i gotowy do pracy, wystarczy podłączyć przewody i zalać olejem. Zalecana praca ciągła nie dłużej niż 3 minuty, ponowne uruchomienie po 5 minutach odpoczynku.
Agregat doskonale sprawdza się w maszynach i urządzeniach zasilanych elektrycznie.
Może być wykorzystywany w rolnictwie, sadownictwie, leśnictwie czy budownictwie.
Dostosowany jest do pracy przy wyładunku skrzyni ładunkowej w przyczepkach, wywrotkach, hydropakach, rasach, podnośnikach, platformach załadunkowych, windach samochodowych, żurawiach, maszynach rolniczych i przemysłowych.


Jest to dedykowany pilot z dwoma przyciskami stosowany głównie w agregatach hydraulicznych zasilanych napięciem 12V / 24V.
Wyposażony w kieszeń mocującą, którą w razie potrzeby można przymocować na dwa otwory o średnicy 5 mm.
Z tyłu pilota znajdują się również magnesy, dzięki którym pilot można przymocować do elementów metalowych.
Dodatkowo w pilocie znajdziemy przewód o długości ok. 4,4 m z dokręcaną wtyczką 3 - pinową.
Wszystkie elementy wytworzone zostały tylko i wyłącznie z trwałych, wysokiej jakości materiałów.
układu hydraulicznego.Agregat dodatkowo posiada plastikową osłonę na silnik oraz zestaw do mocowania.

Bezprzewodowy pilot zdalnego sterowania umożliwia obsługę wyciągarki z dużej odległości, ale służy również do agregatu hydraulicznego i pochodnych tego typu urządzeń takich jak np. windy załadowcze.
Posiada układ oszczędzania baterii i energii. Pilot jest hermetyczny.
Kompatybilny z większością dostępnych wyciągarek na rynku.
Może być wykorzystywany w rolnictwie, sadownictwie, leśnictwie czy budownictwie.
Dostosowany jest do pracy w : maszynach rolniczych, ciągnikach, opryskiwaczach, turach, cyklopach , ładowaczach HDS, maszynach budowlanych, ładowarkach, koparkach, zamiatarkach, maszynach przemysłowych i innych.
Posiada lampkę LED sygnalizująca zdalne działanie
Informacja GPSR: produkt wprowadzony do obrotu na terenie UE przed 13.12.2024 roku
Nikt jeszcze nie napisał recenzji do tego produktu. Bądź pierwszy i napisz recenzję.
Tylko zarejestrowani klienci mogą pisać recenzje do produktów. Jeżeli posiadasz konto w naszym sklepie zaloguj się na nie, jeżeli nie załóż bezpłatne konto i napisz recenzję.
ATRAKCYJNY KOSZT WYSYŁKICeny ustalane na podstawie zamówienia.
RABATYRabaty dla każdego klienta!
Ekspresowa wysyłkaZamówione produkty wysyłamy w ciągu 24h
ZWROT 14 dniMasz 14 dni na zwrot zakupionych produktów